Рекомендации по выбору места
Встроенная стиральная машина – это удобно, практично и эстетично. Такая техника позволяет рационально использовать площадь помещения и не портить дизайн кухни. Но прежде чем встраивать машинку в мебель, нужно продумать удобный вариант ее размещения.
Закрытые столешницей и фасадом
В большинстве случаев стиральная машина полностью прячется в один из шкафов кухонного гарнитура. Дверца крепится на навесы, которые уже установлены на технику. Но, если речь идет об обычной отдельно стоящей стиральной машине, то можно заказать в строительном цеху точно такой же шкаф, учитывая размеры техники. Преимущества о полном закрытии столешницей и фасадом:
- Стиральная машина не портит своим присутствием внешний вид комнаты;
- Таким образом, экономится место на кухне – столешница эксплуатируется для готовки еды;
- При наличии маленьких детей в доме на дверцы можно повесить замочек.
Задняя часть машинки не прикрывается фасадом – так обеспечивается циркуляция воздуха и возможность подключения к коммуникациям.
Спрятанная в тумбе
Если речь идет об обычной отдельно стоящей стиральной машине, то можно заказать в строительном цеху точно такую же тумбу, учитывая размеры техники. Ваши гости даже не догадаются, что в кухне расположена стиральная машина. Такой способ защитит машинку от пыли и грязи, а также будет прекрасной звукоизоляцией.
Под столешницей или раковиной
Очень частый вариант расположения машинки – под столешницей. Таким образом, можно расположить только модель с фронтальной загрузкой. Удобство заключается в том, что панель настроек и люк со стиркой всегда на виду, и можно контролировать процесс стирки. Минусы же такого расположения в неэстетичности – машинка бросается в глаза. Также техника будет собирать пыль и грязь на себе, а маленькие дети легко могут полазить в настройках и вывести машинку из строя.
Можно разместить стиральный агрегат под раковиной. Это очень удобно, так как тумба под мойкой обычно пустует. Также большим плюсом является близость коммуникаций. Но в таком случае крышка машинки помешает установке, тогда ее снимают. Также, чтобы машинка вместилась, нужно подобрать раковину неглубокого размера – идеально подойдет тип «кувшинки», где система слива вынесена за аппарат. Это обеспечит безопасность при прорыве или других неисправностях.
Минусом расположения техники под раковиной является то, что нужно машину вытаскивать каждый раз при визите сантехников, если, к примеру, раковина забьется. При больших габаритах и немалом весе техники это неудобно.
На что обратить внимание при покупке встраиваемой стиральной машины
Особенности встраивания
Представленные на рынке модели разделяются на две основных категории:
- Встраиваемые частично. Данный тип техники может использоваться отдельно. При необходимости верхняя панель таких стиральных машин снимается, чтобы их можно было разместить под столешницей. Спереди устройства остаются открытыми, поэтому в интерьере мало чем отличаются от отдельно стоящих.
- Полновстраиваемые. Такие машины прячутся за фасадом кухонной мебели. Для этого их фронтальная панель оснащена петлями, на которые крепится дверца. В большинстве агрегатов направление открытия можно изменить.
Первый вариант дешевле, но, как уже было сказано, спрятать его не получится. Полностью встраиваемые машины интереснее по целому ряду характеристик. Например, благодаря жесткому монтажу они тише и практически не вибрируют.
Защита от протечек
Особенно она важна для второго типа встраиваемых моделей. Поскольку такая техника прячется за фасадом кухонной мебели, рекомендуем выбирать устройство с полной защитой от протечек. Такая особенность бытовой техники позволит:
- не перекрывать подачу воды после каждой стирки;
- защитить мебель, стены и другие поверхности от порчи;
- избежать необходимости проводить долгую уборку.
Если к тому же вы часто включаете машину, уходя из дома, или пользуетесь отложенным стартом, то таким образом вы предотвратите затопление соседей в случае поломки.
Энергопотребление
Чем лучше данный показатель, тем дороже техника. Стоит ли экономить? Если вы не планируете стирать часто, то в этом есть смысл. При постоянном использовании машины все преимущества быстро исчезнут из-за больших счетов за коммуналку.
Для обозначения класса энергопотребления используются латинские буквы от A до G. Но в современных машинах худшим является класс B, а благодаря развитию технологий все чаще появляются модели с энергопотреблением A+, A++ и даже A+++.
На что обратить внимание во время выбора встраиваемой стиральной машины?
Один из важных моментов, на который в первую очередь следует обратить внимание, – габаритные размеры стиральной техники. Перед тем, как приобрести встраиваемую стиралку, необходимо определиться, в какой из предметов мебели кухонного гарнитура она будет вмонтирована, соответственно, снять все размеры, на основании которых будет подобрана соответствующая модель
Рекомендуем заранее определиться с функционалом, габаритными размерами, а также местом расположения стиральной техники в комнате.
Чтобы правильно подобрать встраиваемую стиральную машинку, необходимо обратить внимание на несколько основополагающих факторов. А именно:
Качество стирки – это основной момент, которому следует уделить особое внимание. Во время выбора стиралки необходимо учесть объем барабана
Для большой семьи потребуется машинка, которая за раз может отстирать 5-8 кг белья. Качество стирки напрямую зависит от функционала и количества программ, имеющихся в устройстве. К примеру, не все бюджетные модели могут стирать деликатные ткани, спортивную обувь и т.д. Но не всегда большое количество программ является показателем качества стирки, поскольку на это также влияет класс отжима. Чем он выше, тем более сухим является белье после стирки.
Класс энергопотребления. От этого параметра зависит экономичность устройства. Зачастую современные модели встроенных стиральных машин потребляют примерно 0,12 кВт/час.
Тип управления: ручной либо автоматический. Первый из них пользуется надежностью, а второй отличается удобством в эксплуатации. Большинство моделей оснащаются системой интуитивного управления, в конструкцию которой входит большой дисплей для отображения всех процессов стирки, а также возможных ошибок, возникающих во время работы.
Материал изготовления барабана встраиваемой стиральной машинки. Стоит сказать одно: категорически не рекомендуем приобретать модели с пластиковыми барабанами. Предпочтение необходимо отдать стиралке, барабан которой изготовлен из алюминиевого сплава, нержавеющей стали либо металла.
Ниже будет представлен сравнительный обзор некоторых моделей встраиваемых стиральных машин от различных производителей.
На кухне или в ванной: где лучше?
Ответить однозначно на вопрос, где лучше поставить машину автомат, на кухне или в ванной, нельзя. Самая главная причина в том, что предпочитают сами хозяева квартиры. Есть категория людей, которая в силу разных причин может быть категорически против размещения машинки в ванной или, наоборот, на кухне. И даже габариты помещения или самой стиральной машины не могут изменить их мнение.
Но давайте, подойдем к этому вопросу с технической точки зрения, и сформулируем плюсы и минусы встраивания машинки в данных помещениях.
Преимущества размещения машинки на кухне заключаются в следующем:
- во-первых, так в пределах одного помещения будут собраны все основные бытовые приборы, что позволит одновременно контролировать процесс стирки и приготовление пирога в духовке или разогрев еды в микроволновке;
- во-вторых, благодаря свободному пространству на кухне, которое будет отведено под «стиралку», можно высвободить пространство в малогабаритной ванной;
- в-третьих, выбор стиральной машины для встраивания на кухне практически в большинстве случаев ничем не ограничен, даже в небольшом помещении вполне можно найти место отдельно стоящей машине стандартных габаритов.
Но есть и минусы в том, что машина будет стоять на кухне:
- после стирки дверцу машинки нужно приоткрывать, а это не эстетично и нарушит дизайн помещения;
- в машине встроенной под столешницу или в отдельно стоящей не будет возможности хранить грязное белье, так как его будет видно;
- и еще один недостаток заключается в том, что хранящиеся на кухне рядом со стиральной машиной порошки испаряют вредные вещества, которые могут оседать на пище.
Размещение стиральной машины в ванной также имеет свои плюсы:
- встроив машинку в ванной, можно сэкономить место на кухне для большого стола;
- туалет и ванная – это санитарная зона квартиры, поэтому она отлично подходит для хранения грязного белья и его стирки, здесь вполне можно хранить порошки и кондиционеры;
- в ванной машинку меньше слышно, особенно если закрыть дверь, таким образом, она не будет отвлекать от домашних дел или приема пищи;
- в ванной можно постоянно держать дверцу люка открытой не боясь нарушить эстетичность помещения.
минусы встраивания машинки в ванной комнате заключатся в следующем:
- повышенная влажность опасна для электрических приборов, поэтому устанавливая «стиралку» придется тщательно продумать электропроводку и подключение;
- выбор машины в ванную может быть затруднен, например, в большинстве типовых квартир дверной проем в ванную комнату узкий и составляет от 55 до 60 см, это значит, что машинку с глубиной 60 см уже невозможно будет пронести, придется выбирать что-то из менее габаритных агрегатов.
Техническая сторона вопроса
Подключение стиральной машины автомат на кухне и в ванной принципиально не отличается. И в том и другом случае придется осуществить примерно одинаковый порядок действий. Перечислим их:
- организовать отвод водопроводной трубы для подключения заливного шланга;
- установить сифон с отводом для отработанной воды;
- протянуть электропроводку и установит влагостойкую розетку;
- предварительно поставить машинку так, чтобы можно было подключить все коммуникации;
- подсоединить машину к водопроводу и сливной трубе;
- поставить машинку на отведенное место, отрегулировать ножки.
Решив установить стиральную машину под столешницу, нужно правильно рассчитать все габариты будущей ниши, в которой будет располагаться машина. Обязательно оставляется зазор между всеми стенками мебели и машинкой с тем, чтобы при вибрации машина не задевала о стенки. Более подробная информация об установке изложена в статье о том, как встроить машинку под столешницу.
Таким образом, стиральная машина сегодня это не просто бытовая техника, облегчающая наш труд, но и элемент дизайна ванной или кухни. От того какое место будет отведено машине, будет зависеть и функциональность помещения, и его эстетичность.
Поделитесь своим мнением – оставьте комментарий
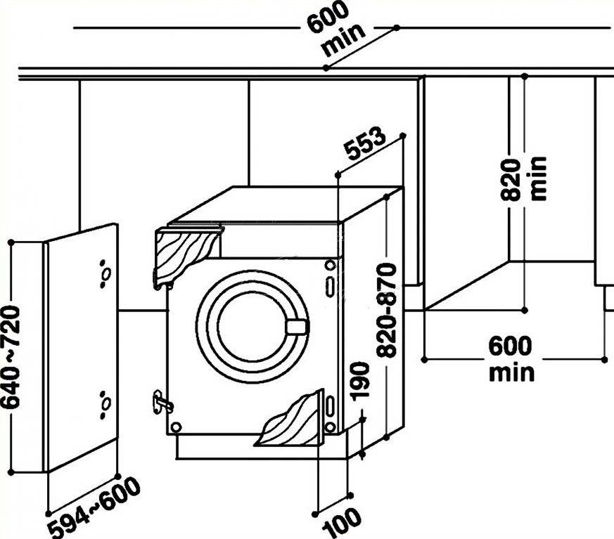
Размеры
Производители стиральной техники выпускают на рынок самые разнообразные по параметрам и характеристикам агрегаты, но нужно подобрать такую технику, чтобы она идеально вписалась в уже имеющуюся меблировку кухонного гарнитура или готовый шкаф.
Самые распространенные габариты техники примерно такие: 
- С шириной в пределах 59,9 – 60 см.
- Высотой около 85 см, но встречаются модели от 82 до 90 см по высоте.
- А вот глубина может быть самой различной, ведь именно этот параметр характеризует максимально возможную загрузку сухого грязного белья. Поэтому можно встретить варианты с глубиной от 55 до 58 см. Но этот параметр в основном зависит от объема барабана, который измеряется в литрах. Например, для стирки 7 кг обычно устанавливают бак объемом в 46 литров. А вот какие бывают размеры встроенной посудомоечной машины 60 см, можно увидеть здесь.
Если производитель позволяет стирать до 7 кг сухого белья, то это может означать, что хозяйка сможет почистить даже одеяла или пуховые подушки в своем агрегате.
Машинку можно установить и под мойку, а вот какая бывает накладная мойка для кухни, можно увидеть тут.
Правила установки
Чтобы монтаж прошёл без проблем, придерживайтесь несложных рекомендаций:
- Пол — лучшая опора. В отдельных случаях машинку ставят на невысокую, крепкую и устойчивую тумбу. Другие варианты нежелательны. В том числе и популярный способ установки на ножки от шкафа.
- Аппарат нельзя закрывать сзади, потому что ему нужно свободное движение воздуха. Короб для машинки может иметь только боковые стенки, верхнюю крышку и переднюю дверцу.
- Стиралка должна стоять строго горизонтально. От этого зависит её долговечность и качество работы. Можно выровнять пол или использовать регулируемые ножки машинки. В обоих случаях не обойтись без строительного уровня.
- Если установить технику впритык к столешнице, засыпать порошок в специальный отсек станет трудно. Впрочем, многие современные модели допускают загрузку стирающего средства прямиком в барабан.
Четыре причины поставить «стиралку» в кухне
Вот несколько распространенных поводов, которые вынуждают домохозяек поселить стиральную машину рядом с духовкой и холодильником:
- Установка душевой кабины. Обычно душевая кабина имеет большие габариты и плохо вписывается в маленькую ванну. Это обычно получается сделать, только если переселить оттуда все шкафы и стиральную машину.
- Большая стиральная машина. Для малогабаритных ванных обычно выбирают компактные модели, но если в семье много человек или есть маленький ребенок, машинка с маленькой загрузкой может не справляться. Поэтому хозяева квартиры покупают большую машинку и переселяют ее в кухню.
- Нестандартная ванная. После перепланировки типовая ванная комната может потерять часть своей площади, и для стиральной машины не остается места.
- Личные предпочтения. Люди, которые привыкли пользоваться «стиралкой» на кухне или просто предпочитают экономить время на домашние заботы, часто выбирают этот вариант, даже если место в ванной не ограничивает их.
На кухне есть всё, что нужно для подключения стиральной машинки (водопровод, канализация, электричество), поэтому установить ее там будет не намного сложнее, чем в ванной.
Пример расположения стиральной машины на небольшой кухне
Если вы не привыкли стирать белье на кухне, но планировка ванной не оставляет выбора – не переживайте: такое расположение имеет свои плюсы, а для многих хозяек даже более удобно. Доступ в кухню всегда открыт, подход к стиральной машине свободнее (за счет большей площади) и можно следить за стиркой, параллельно перемывая посуду или готовя обед.
Если вы уже знаете, что поставите машину на кухне, можете сразу купить комплектующие для ее подключения:
- Тройник для канализационной трубы (или специальный сифон с отводом);
- Тройник или фитинг для шланга забора воды.
Разные варианты подключения водозаборного шланга мы рассмотрим ниже.
Виды стиральных машин
Классификация стиральных машин-автоматов делит их на агрегаты вертикальной загрузки или фронтальной (боковой) загрузки вещей. В интерьере кухни можно использовать любой агрегат, но учитывать способ загрузки стирки в местоположении автомата на кухне.
Машинка с фронтальной загрузкой позволяет наблюдать ход стирки, что может быть интересно для маленьких детей. Можно организовать детскую помощь маме, поручив ребёнку загрузку вещей в стиральную машинку. Эту посильную помощь можно поручать даже самым маленьким детям (чтобы приучать к участию в общих делах). Кстати, в узкой ванной не так удобно открывать дверцу фронтальной машинки и закладывать в неё вещи.
Машина с фронтальной загрузкой
Верхняя плоскость фронтальной машинки является отличным бытовым столиком. При низких вибрациях на машинку можно положить полотенца, разместить небольшую вазу с фруктами и даже поставить цветы. Но надо помнить, что производители стиральных машин не рекомендуют класть значительный вес сверху на стиральный автомат.
И ещё: некоторые модели фронтальных машин обустроены снимающейся крышкой. При необходимости крышку можно снять и установить стиральный автомат под столешницей для кухни.
Стиральная машинка с вертикальной загрузкой удобна в тесных помещениях. Там, где мало места, в узких коридорах и небольших бытовых комнатах. Машинка с вертикальной загрузкой уместна в хрущёвке, где ванная совмещена с туалетом, а кухня имеет от 3 до 5 кв.м. площади. В таком случае приходится экономить каждый сантиметр пространства и выбирать машинку с вертикальной загрузкой. Площадь, которую занимает машина с вертикальной загрузкой, составляет 40х60 см (в отличие от фронтальных машин, площадь пола под которыми больше — 60х50 или 60х60 см).
Стиральный автомат с вертикальной загрузкой не имеет сверху удобного столика. Верхняя крышка периодически откидывается (при загрузке и выгрузке вещей), поэтому класть на неё что-либо неудобно. Кроме того, узкие стиральные машины отличаются меньшей устойчивостью и более ощутимыми вибрациями.
Выбор стирального автомата определяется требованиями площади кухонного пространства и местом расположения машинки-автомата (в углу, возле стены, за холодильником, рядом с кухонной мойкой).
Производим замеры
Задумываясь о том, чтобы встроить стиральную машину под столешницу в кухню, необходимо на этой кухне тщательно распланировать пространство, ведь стиралка потребует место, а если учесть размеры кухонь хрущевских домов, то немало места. Для начала расставим точки над «и». Если вы рассчитываете обустроить место, сделать столешницу в кухне со старой мебелью будьте уверены, красиво сделать не получится. Гораздо лучше затеять ремонт на кухне, поменять мебель, а заодно и подготовить место для стиральной машины.

В этой статье мы рассмотрим ситуацию, когда планируется замена мебели на кухне и хозяева захотели встроить уже имеющуюся стиральную машину автомат под будущую столешницу на кухне. С чего вообще начать подготовку к данной работе? А начинать нужно с плана.
- Возьмите лист бумаги, карандаш и ластик. Нарисуйте прямоугольник и отметьте размеры помещения вашей кухни. Если есть какие-то ниши, выступы и другие особенности отметьте их.
- Подумайте и отобразите на плане место расположения наиболее габаритных предметов техники: холодильника, морозильной камеры, посудомоечной машины, электроплиты. Располагайте их с учетом габаритов, рассчитывайте, сколько полезного пространства помещения уже занято.
- На этапе распределения мест для техники подумайте, куда вы бы поставили стиральную машину, чтобы было удобно ею пользоваться.
- Распределив крупную технику, попробуйте оставшееся место оборудовать необходимой мебелью и отобразить идеи на плане. Нужно рассчитать размеры и расположение каждого шкафа и шкафчика, мойки и т.п.
Нишу под стиральную машину нужно рассчитывать тоже очень тщательно. Измерьте точные габариты своей стиральной машины. Не надейтесь на размеры указанные в паспорте, один неучтенный выступ на корпусе и машина может в будущую нишу не встать. Что еще нужно учесть при расчете ниши стиральной машины на кухне под столешницу?
- Глубину ниши под столешницей нужно рассчитывать с порядочным запасом: не менее 10 см от задней стенки машины до стены нужно будет оставить для шлангов и фильтров, передняя панель должна быть полностью утоплена в нишу хотя-бы на 2-3 см.
- Высота стиральной машины регулируется ножками, но высоту самих ножек нужно учитывать при расчете высоты ниши под стиральную машину на кухне. Может получиться так, что придется совсем откручивать ножки, чтобы машина встала в нишу по высоте – так быть не должно.
- Ширина ниши должна быть минимум на 2 см больше ширины корпуса стиральной машины, чтобы была возможность оставить сантиметровые зазоры с боков. Дело в том, что во время отжима на высоких оборотах стиральная машина сильно вибрирует и раскачивается. Если хотите, чтобы вместе с ней раскачивалась вся столешница и весь кухонный гарнитур, можете зазор не делать.
- Конфигурация самой ниши не должна перекрывать беспрепятственный доступ к передней панели стиральной машины. Должны хорошо открываться: люк, кюветка для порошка, люк мусорного фильтра, люк аварийного слива воды. Никакие декоративные планки не должны мешать пользоваться стиралкой.
Готовим место и инструмент
Чтобы в будущем встроить стиральную машину автомат под столешницу на кухне, мало произвести расчеты и нарисовать план. Нужно еще знать технические особенности стиральной машины и особенности подключение ее к коммуникациям.
При подготовке места под стиральную машину нужно позаботиться о доступе ее к воде, к канализации и электричеству. Необходимо вывести отдельную розетку, правильно рассчитав нагрузку, которую создаст машина на электросеть. О том как это сделать прочитайте в статье Как подключить стиральную машину к электричеству. Также нужно организовать подводку от трубы с холодной водой, а также вывод в канализационной трубе или сифоне для слива отработанной воды.
Для того чтобы в будущем стиральную машину подключить к воде, нужно установить кран-тройник на трубу с холодной водой и убедиться, что длины наливного шланга будет достаточно для того, чтобы до этого крана дотянуться. Ну а для организации слива нужно поставить под раковину специальный сифон, имеющий сбоку отвод для подключения сливного шланга. Если у вашего сифона отвод уже есть, то ничего делать не нужно. Убедитесь только, что длины сливного шланга стиральной машины будет достаточно.
Теперь подготовим инструмент. Откроем кладовую и вынем из ящика с инструментами:
- небольшой разводной ключ;
- рожковый ключ на 12 мм;
- строительный уровень;
- ФУМку;
- автомобильный герметик;
- рулетку;
- плоскогубцы.
Подключение машины к коммуникациям
При подключении стиральной машины к коммуникациям следует учитывать несколько моментов:
- чтобы подключить машину прямо к канализации, потребуется приобрести дополнительный сифон;
- патрубок должен быть установлен без перегибов и расправлен по всей длине;
- на трубе холодного водопровода требуется установить дополнительный вентиль и перекрывать его после каждой стирки;
- для подачи воды в машину используются специальные тройники или патрубки.
Чтобы машина при работе минимально вибрировала, ее положение следует выровнять при помощи водяного строительного уровня, используя регулируемые ножки или толстые резиновые вставки.
Недостатки
Недостатков немного. Первый и самый важный для хозяек — совмещение с интерьером. Хорошо, если решили сделать ремонт, купили новый кухонный гарнитур и новую машинку-автомат, подходящую к нему.

Если техника не вписывается в интерьер, это огорчает. В таком случае, есть другое решение. Закройте ее дверцами мебели. За ней не видно, как работает устройство, что там вообще находится.
Второй недостаток — хранение белья, порошков рядом с едой. Грязное белье не нужно собирать в кухне, купите красивую корзину и поставьте ее в ванной, чтоб она была скрыта от посторонних глаз.
Моющие средства (порошки, отбеливатели, мячики для стирки и кондиционеры) в кухне хранить не нужно. Им тоже можно выделить место в шкафчике умывальника. А можно разместить под раковиной.
Третий недостаток — как проветривать технику. После стирки нельзя закрывать дверцу люка, ее оставляют открытой, чтобы высушить внутри барабан и уплотнительную резинку. Иначе внутри появится плесень и затхлый запах.
Не стоит опасаться контакта машинки с детьми. Если малыш случайно заметит дверцу открытой и покрутит барабан, ничего страшного. Маме обеспечен 5 минутный отдых, пока малыш познает что-то новое.
Отдельно стоящие стиральные машины для встраивания

Отдельно стоящие стиральные машинки тоже можно встроить в модуль кухонного гарнитура или установить в ванной комнате. Минимальный ассортимент встраиваемых моделей вынуждает искать другие решения. Например:
- Если на кухне нет места для стандартного модуля шириной 60 см под встраиваемую машину, встроить отдельно стоящую компактную модель в меньший модуль.
- В целях экономии средств установить обычную машинку между модулями кухонного гарнитура под общей столешницей.
- В небольшом совмещенном санузле или маленькой ванной комнате встроить стиральную машину прямо под специальную неглубокую раковину.
- В большой ванной комнате установить раковину-столешницу, под которую удачно впишется любая отдельно стоящая модель.
Малогабаритные стиральные машины

Для встраивания с навеской фасада подходят модели глубиной не более 45–50 см, а лучше 40 см. Иначе выпуклые части лицевой панели прибора будут касаться дверцы шкафа. Есть особенно компактные машинки глубиной 33 см. Они вмещают 4-5 кг сухого белья.
К узким стиральным машинам (шириной менее 59–60 см) относятся приборы с вертикальной загрузкой белья или миниатюрные модели с фронтальной загрузкой. Например, фронтальная Candy Aqua 135D2-07, имеющая размеры 51×46×70 см и вместимость до 3,5 кг сухого белья, хорошо встраивается в небольшой кухонный модуль шириной 53–55 см при любом уровне столешницы.
Машину с вертикальной загрузкой по понятным причинам никуда встроить не получится – ее крышка не откроется из-за столешницы.
Нестандартные стиральные машины
Яркий представитель таких приборов – стиральная машина Daewoo DWC-CV703S или ее другие модификации. Размеры – 55×32,4×65 см, внешне похожа на округлый барабан, без каких-либо кнопок снаружи. Управление сенсорное. Вмещает до 3 кг сухого белья. Цена – более 30 тыс. руб.
Минимальная высота (65 см) позволяет поместить ее в небольшой модуль под любую столешницу или даже над ней, ведь ее глубина – всего 32,4 см (в других модификациях еще меньше). Но главное достоинство не в этом: ее можно не встраивать, а вешать на стену. Благодаря необычному виду, совсем не похожему на стиральную машину, она хорошо смотрится как на кухне, так и в коридоре.
Встройка под раковину в ванной
Существуют специальные раковины из литого мрамора, например, Aqua Symphony Solo Classic, которые предназначены для встраивания под них отдельно стоящих стиральных машин. У раковины небольшая глубина (около 8 см) и размеры 60×58 см. Ее контуры точно совпадают с габаритами машинки, создавая впечатление единого целого. Есть раковины и меньшего размера, под более компактные машинки.
Максимальная глубина стиральной машины под такую раковину – 47 см. Высота любая, так как раковина крепится на кронштейнах. Этот вариант отлично подходит для совмещенных санузлов или небольших ванных комнат.

Другие виды
Полуавтоматы и машинки активаторного типа («Фея», «Белоснежка», Renova и др.) для встройки не подходят, т. к. все они с вертикальной загрузкой белья. В розничной продаже невозможно найти полуавтомат с фронтальной загрузкой, разве что устаревшие неликвидные модели.
Как встроить обычный «автомат»
Выбор встраиваемых моделей в магазинах не очень велик, а их стоимость значительно превосходит стоимость обычных машин с такими же техническими характеристиками. Именно поэтому у многих возникает вопрос «Возможно ли встроить обычную машинку на кухне?».

Отдельно стоящие машины отлично вписываются в кухонный гарнитур, при этом, не нарушая его, а в некоторых случаях и дополняя. Их можно закрыть дверцами или просто установить под столешницу.
При выборе обычного «автомата» для встраивания на кухне нужно обращать внимание на следующие особенности:
- габариты модели. Если планируется прятать машину за дверцу, выбор стоит остановить на более узких моделях.
- для встраивания верхняя крышка машины должна быть съемной, чтобы она органично вписалась под столешницу. В противном случае придется поднимать мебельный цоколь, что не всегда возможно.
Выбор отдельно стоящих и полувстраиваемых стиральных машин огромен. Можно подобрать модель любого цвета и дизайна, удачно вписывающуюся в интерьер. Бытовая техника может быть ярким акцентом в гарнитуре, контрастируя с ним по цвету.

Иногда возникает идея спрятать уже имеющуюся машину, габариты которой не подходят под кухонный гарнитур. В этом случае «автомат» можно поместить в короб, самостоятельно сооруженный из металлических профилей и гипсокартона или панелей МДФ. Декорировать такую конструкцию можно под любой интерьер. Например, под стиль «кантри» или «прованс» прикрыть стиральную машину в коробе можно шторкой из натуральной ткани.
Преимущества и недостатки встраиваемых стиралок
Главным достоинством встраиваемой стиральной машины является возможность ее расположения в любом кухонном гарнитуре, при этом общий дизайн помещения не будет нарушен. В ванной комнате либо кухне можно без проблем реализовать любые интерьерные решения, абсолютно не переживая о том, что они будут нарушены наличием неказистой стиральной техники, которая в дизайне помещения будет смотреться абсолютно неуместно.
Благодаря варианту монтажа стиралки в предмет мебели, существует возможность полностью скрыть коммуникации и провода питания. Интерьерный вопрос также можно решить выбором люксовой модели классической стиральной машинки, но ее стоимость подходит далеко не для всех. Поэтому оптимальным вариантом, в случае с дизайнерским ремонтом, является покупка и установка встраиваемой стиральной машинки-автомата.
Также еще одним плюсом в пользу приобретения встраиваемой стиралки является возможность разумного планирования полезного пространства в ванной комнате либо на кухне. Таким образом, в небольших помещениях можно высвободить максимальное количество квадратных метров полезного пространства, визуально увеличить площадь комнаты. В больших помещениях встраиваемая техника позволяет полностью избежать внешней перегруженности, а также значительно повысить функциональность комнаты, не нарушая общей концепции ее интерьера.
Наличие встраиваемой стиральной машинки на кухне позволяет одновременно заниматься готовкой блюд, не переживая за то, что что-то может подгореть на плите, пока хозяйка отвлечется на процесс стирки белья.
Несомненным достоинством встраиваемой стиральной машины является ее абсолютная бесшумность и отсутствие вибраций барабана во время работы. Это обусловлено особенностями конструкции крепежных элементов стиралки, которые позволяют надежно зафиксировать агрегат, чтобы полностью предотвратить повреждение предмета мебели, в который вмонтирована техника.
Стоит описать минусы. У встраиваемых стиральных машин они также имеются. К примеру, это небольшой ассортимент выпускаемых моделей. Справедливости ради, необходимо подчеркнуть, что далеко не все бренды, которые занимаются производством бытовой техники, выпускают качественные встраиваемые стиралки.
Ввиду этого, еще одним существенным недостатком такой техники является ее высокая стоимость, в отличие от стандартных моделей. Во многом это объясняется отсутствием полноценной конкуренции.
Но производители объясняют высокую стоимость встраиваемых стиральных машин тем, что они изготавливаются из более высококачественных материалов и, в отличие от классических моделей, обладают повышенным запасом прочности и высокими эксплуатационными характеристиками.
Еще одним немаловажным фактором, свидетельствующим в пользу высокой цены стиралок такого типа, является возможность их использования в абсолютно любых дизайнерских проектах кухонь и ванных комнат, поскольку невозможно определить наличие встроенной стиральной техники, не зная ее места расположения.
Связано это с тем, что все подходящие коммуникации полностью скрыты, и в случае протечки, сразу обнаружить ее не получится. Однако большинство моделей имеют инновационную систему AquaStop, которая делает полностью безопасным всю эксплуатацию устройства.
Другие важные характеристики
Скорость отжима и сушки. Для домашнего пользования вполне достаточно показателя в 1 000 оборотов барабана за минуту времени, и если он будет выше, то можно испортить вещи из нежных тканей.
Количество режимов стирки
Здесь следует обращать внимание на функцию быстрой опции чистки белья, этот вариант будет самым экономным, а белье чистым. Но в дорогих моделях их может насчитывать до 20 разновидностей, но многим хозяйкам вполне достаточно 8-10 наименований.
Опция автоматического балансирования загруженного и постиранного белья
Эта функция предотвратит агрегат от перегрузок, ведь если белье окажется только на одной стороне барабана, то отжим будет некачественным, а белье сырым.
Очень важным параметром считается функциональная возможность агрегата защитить домашнюю обстановку от возможных протечек, и во многих моделях такой функционал присутствует. То есть производитель заранее устанавливает автоматическую функцию работы защитного клапана, когда нестандартная ситуация вышла из-под контроля – он закрывает откачку воды и протечка будет исключена.
Опция контроля над пеной. Порой по ошибке вместо специального стирального средства в машину засыпают порошок для ручного способа стирки, и образуется излишняя пена, которая может вывести агрегат из строя. А умная техника сама сольет ненужное соединение, и сделает процесс стирки приемлемым.
Если нет возможности сушить белье, например, на лоджии, то вариант с присутствием сушки будет лучше, чем без этой опции – придется терпеть сырость в доме, пока белье полностью не высохнет. Но и трата электроэнергии и стоимость подобного агрегата будут отличаться по своим параметрам.
Возможно будет также полезно узнать о том, как может выглядеть встроенный холодильник в кухонный гарнитур.
На видео – характеристики стиральных машинок:
https://youtube.com/watch?v=UcdvrYx0ErM
Преимущества и недостатки
Решение о переносе машинки из ванной в кухню может быть вынужденной мерой или же обдуманным желанием владельцев квартиры. Плюсов у перестановки немало:
- экономия места в санузле, особенно если он совмещенный или отличается маленькими габаритами;
- функциональное использование пространства в обеих комнатах, особенно если встраивать стиральную машину в кухонный гарнитур, нишу и т. д. В ванной вы можете поставить вместо машинки корзину для белья или что-то другое;
- более благоприятные условия для агрегата — влажность на кухне ниже, чем в санузле;
- возможность удачно вписать машинку в кухонный интерьер благодаря ассортименту моделей. Изделия отличаются размерами, типом загрузки, цветом и дизайном;
- контролирование стирки во время приготовления еды, мытья посуды и т. д.
Минусы переноса стиральной машины таковы:
- шум и вибрация могут мешать просмотру телевизора или семейному ужину;
- придется подумать, где хранить средства для стирки и отбеливания вещей. Он не должны контактировать с едой;
- встраивать можно только машинку с фронтальным типом загрузки (дверца в фасаде агрегата). Для моделей, где белье нужно закладывать сверху, следует искать другие способы размещения;
- встраиваемая техника стоит дорого, и ремонтировать ее сложнее. Альтернатива — обычная машинка, которая поместится на кухне;
- не всегда удобно держать дверцу стиралки открытой, проветривая агрегат.



































